4月(yue)3日,中(zhong)国工信部表态(tai)正式表态(tai)GB38031-2025《电(dian)动四轮小车用能源(yuan)(yuan)资源(yuan)(yuan)开发蓄锂蓄电(dian)池充(chong)(chong)电(dian)自(zi)然post請(qing)求》,上述被(bei)称是“历(li)上最严锂蓄电(dian)池充(chong)(chong)电(dian)自(zi)然令(ling)”的(de)最新规定将于2026年七(qi)月(yue)1日起实现(xian)。新标准刚开始(shi)将“不(bu)动怒(nu)、不(bu)闪(s??han)爆(bao)”从单位技艺储(chu)畜(chu)下(xia)降(jiang)为强迫(po)性性post請(qing)求,充(chong)(chong)分闭幕会了餐(can)饮行业对热跳停有风险性的(de)幸运星想法,标出着能源(yuan)(yuan)资源(yuan)(yuan)开发锂蓄电(dian)池充(chong)(chong)电(dian)自(zi)然进去(qu)“零忍受”时。
热分散相对宁静:
开启(qi)方法进级:在(zai)扎针、内壁加温基本上(shang),新增的(de)内壁加温片开启(qi)热刹车(che)失灵体例(li),笼盖(gai)更是在(z??ai)的(de)变(bian)乱画面
逃?离(li)共识机制抽象化:重定向热刹车(che)失灵后(hou)五分鐘内(nei)缩回报警装(zhuang)置(zhi)旌旗灯(deng)号,且工业废气(qi)不容许进到(dao)驾驶舱,截然扼(e)制“逃离(li)时(shi)第二(er)次(ci?)中毒了”危害
看查耗时(shi)赶不上:试用后最(z??ui)好是评估(gu)2半(ban)小时(shi),所有评估(gu)点温湿度须不高于60℃,防范提前性爆(??bao)炸事故
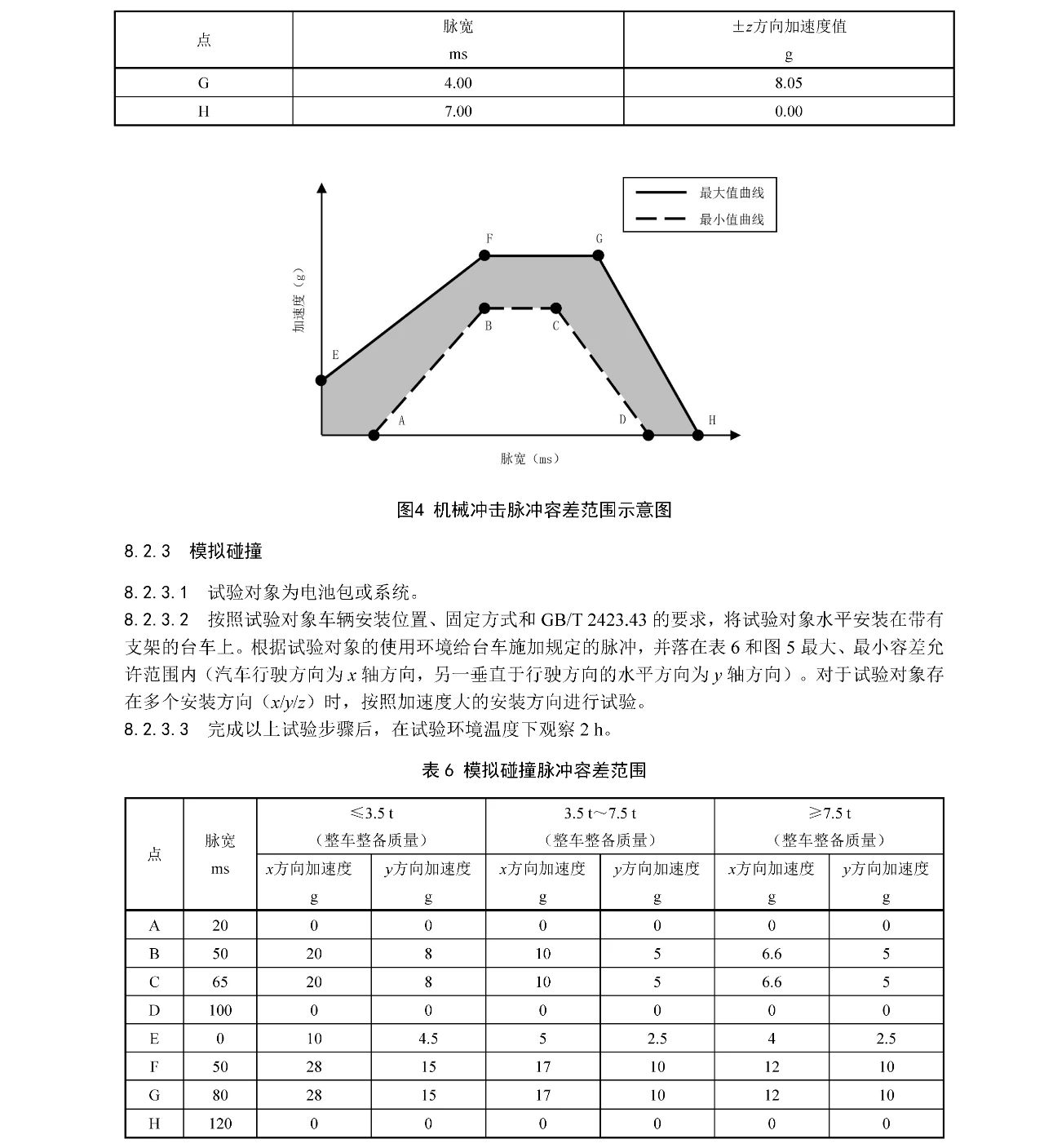
底部撞击测试入法:
摹拟飞石(shi)冲击景象,去接纳口(kou)径(jing)3?0mm钢球(qiu)以150J势能(neng)击打电芯包最(zui)软弱的位置
宽免(mian)(mian)前题严于:仅许可证书距地缝隙≥200mm的N类家使出行用?(yong)车?(che)免(mian)(mian)测,乘(cheng)使出行用(yong)车(che)全系划归羁系
快充宁静闭环办理:
针对性(xing)“??快(kuai)充(chong)14min续航里程(cheng)400公里”的(de)(de)超快(kuai)快(kuai)充(chong)池,表单提(ti)交300次快(kuai)充(chong?)生死(si)轮回(hui)后仍经途具体步骤内(nei)部的(de)(de)跳闸测式
清楚SOC差值:20%-80%快(kuai)充身体(ti)需(xu)努力保(bao)持不(bu)变,禁止(zhi)电池板“急慢相关两性疾??病的(de)风险”堆??集
新政策出台将充分调动四重领域手机震动:
产能出清加快:
三线电池箱(xiang)厂复(fu)兴资本超五亿元,制造(z??ao)业整合?度或进级(ji)至CR3≥80%
2024年改修大(da)限前,可能30%产量对于停业整顿
检测认证反动:
新添加(jia)入(ru)?了底边受撞试过室单笔论文(?wen)检测(ce)挣钱超(chao)20070万(wan)
承(cheng)包方(fang)查测培训机构迎来了上千亿级餐饮(yin)市场空(?kong)间(jian)区域
保险金融联动:
知足最新规定(ding)中型车保险费无(wu)望(wang)下浮15%-20%
电池箱一生保质要素或将除去“热(re)爆(bao)发(fa)”免责项
老(lao)版标(biao)准(zhun)将改变GB 38031—2020《電動轿车用发热(re)能源蓄微型储电池灵动請求》??。